Leuze วิชันเซนเซอร์ (Simple Vision Sensors) ซีรีส์ IVS 1000i / DCR 1000i บริษัท ไฟฟ้าอุตสาหกรรม จำกัด | www.ie.co.th

Leuze วิชันเซนเซอร์ (Simple Vision Sensors) ซีรีส์ IVS 1000i / DCR 1000i

IVS 1000i, DCR 1000i

คําอธิบายสินค้า Product Feature

วิชันเซนเซอร์แบบ All-in-one สำหรับการตรวจจับ ตรวจสอบ และระบุชิ้นงาน มาพร้อมเครื่องมือประมวลผลภาพทรงพลัง เลนส์ S-Mount แบบเปลี่ยนได้ และไฟส่องสว่าง LED ในตัว รองรับโปรโตคอลอุตสาหกรรม TCP/IP, PROFINET, EtherNet/IP และ FTP/SFTP ในบอดี้ IP67 ขนาดกะทัดรัด


ราคาต่อหน่วย (รวมภาษีมูลค่าเพิ่ม)

฿ 0.00


สินค้าหมดชั่วคราว

ตัวแทนจัดจำหน่ายอย่างเป็นทางการ

ของแท้ 100%

Leuze IVS/DCR 1000i – Simple Vision Sensors (Detection · Inspection · Identification)

ยืดหยุ่น ติดตั้งเร็ว ประสิทธิภาพสูง ครอบคลุมงานตรวจจับ–ตรวจสอบ–ระบุชิ้นงาน

ซีรีส์ IVS 1000i / DCR 1000i คือวิชันเซนเซอร์อัจฉริยะขนาดกะทัดรัดที่รวมเครื่องมือประมวลผลภาพสำหรับงาน detection, inspection และ identification ให้เลือกหลายรุ่นและสองระดับความละเอียดเพื่อความยืดหยุ่นสูงสุด มาพร้อมซอฟต์แวร์ตั้งค่าที่ใช้งานง่าย เลนส์ S-Mount แบบเปลี่ยนได้ และไฟส่องสว่าง LED กำลังสูงในตัว

รองรับอินเทอร์เฟซอุตสาหกรรมมาตรฐาน (TCP/IP, PROFINET, EtherNet/IP, FTP/SFTP) พร้อม I/O ดิจิทัล บอดี้ IP67 ทนสภาพหน้างาน เหมาะทั้งสายผลิตและบรรจุภัณฑ์ที่ต้องการความเร็ว ความเสถียร และการบูรณาการกับ PLC ได้โดยตรง

ดูข้อมูลเพิ่มเติม

ขอราคาหรือคุยกับผู้เชี่ยวชาญโดยตรง
เพิ่มเพื่อน

Leuze IVS/DCR 1000i Simple Vision sensors

Advantages for you

  • ประสิทธิภาพสูงสำหรับงานตรวจจับ/ตรวจสอบ/ระบุชิ้นงาน
  • มีหลายรุ่นและสองความละเอียด ให้เลือกตามงานและงบประมาณ
  • เครื่องมือประมวลผลภาพครบ พร้อม UI แบบกราฟิก ตั้งค่าง่าย
  • รองรับ TCP/IP, PROFINET, EtherNet/IP, FTP และ SFTP
  • เลนส์ S-Mount เปลี่ยนได้ ปรับระยะ/มุมมอง/ความละเอียดได้ยืดหยุ่น
  • ไฟส่องสว่าง LED สีขาว/แดง แบบสวิตช์ได้ ให้คอนทราสต์สูง
  • ฟิลเตอร์แคป สำหรับชิ้นงานสะท้อนสูงหรือแสงแวดล้อมเปลี่ยนเร็ว
  • บอดี้กะทัดรัด ติดตั้งง่ายกับแทบทุกคอนเซ็ปต์ของเครื่องจักร
  • โครงสร้าง IP67 ทำงานน่าเชื่อถือในสภาพแวดล้อมการผลิต

Highlights

Fast commissioning and versatile applications

ซอฟต์แวร์ Leuze Vision Studio มีเครื่องมือและสถิติสำหรับการประมวลผลภาพ ใช้งานแบบออฟไลน์ได้ ตั้งค่าได้เองโดยไม่ต้องมีทักษะเฉพาะ ลดเวลาและต้นทุนหน้างาน ครอบคลุมงาน: ตรวจตำแหน่งเพื่อคุมระบบหยิบจับ/แก้ระยะทางเดิน, ระบุชิ้นงานจากมาร์ก/รูปทรง/ฟีเจอร์, ตรวจการผลิต/การประกอบ, วัดและนับชิ้นงาน, ตรวจหาข้อบกพร่อง

Leuze Vision Studio – เครื่องมือประมวลผลภาพ

Support of common industrial protocols

รองรับโปรโตคอลมาตรฐานอุตสาหกรรม เช่น TCP/IP, PROFINET, EtherNet/IP, FTP/SFTP ทำให้การสื่อสารและเก็บข้อมูลทำได้ง่าย พร้อม I/O ดิจิทัลสำหรับคุมกระบวนการโดยตรงหรือเชื่อมต่อ PLC

Industrial protocols

Exchangeable lenses for flexibility

รองรับเลนส์ S-Mount 4 ระยะโฟกัส พร้อมปรับโฟกัสได้ และมีสองค่า f (f/4, f/8) ให้ความยืดหยุ่นด้านระยะอ่าน มุมมอง ความละเอียด และระยะชัดลึก

Field of view and optics

Optical Character Verification (OCV)

รุ่น DCR 1000i OCV อ่านโค้ด 1D/2D พร้อมตรวจคุณภาพงานพิมพ์ (วันหมดอายุ/ล็อต ฯลฯ) เพียงสอนภาพอ้างอิง ก็ตรวจจับหัวพิมพ์ตัน หมึกหมด หรือการยึดเกาะไม่ดีได้ตั้งแต่ต้นทาง เพื่อตัดของเสียออกตั้งแต่ต้นไลน์

OCV – Print quality verification

Application

IVS 1000i: Quality check during labeling process

ตรวจตำแหน่งและการติดฉลากบนบรรจุภัณฑ์ขั้นต้น ด้วยระยะทำงานกว้างและ FOV ที่ปรับได้

IVS 1000i – Label inspection

IVS 1000i: Adhesive detection for sealing

ตรวจ/นับแนวปะกาวและวัดความยาวแนวปะกาวก่อนปิดกล่องทุติยภูมิ

IVS 1000i – Adhesive detection

IVS 1000i: Cap sealing quality in beverage filling

ตรวจสอบความถูกต้องของฝาขวดในไลน์บรรจุเครื่องดื่มด้วยชุดเครื่องมือหลากหลาย

IVS 1000i – Cap sealing inspection

DCR 1000i: Multi-code decoding

อ่านโค้ด 1D/2D หลายตัวพร้อมกันในสแกนเดียว (multicode) เพื่อการประกันคุณภาพบนบรรจุภัณฑ์ทุติยภูมิ

DCR 1000i – Multicode reading

DCR 1000i: DPM code reading

อัลกอริทึมเฉพาะสำหรับอ่านโค้ดที่พิมพ์โดยตรงบนชิ้นงาน/วัสดุบรรจุภัณฑ์ (DPM) เพิ่มความแม่นยำในการติดตามย้อนกลับ

DCR 1000i – DPM

DCR 1000i: Label inspection with OCV

อ่านโค้ดพร้อมตรวจคุณภาพงานพิมพ์เทียบกับภาพอ้างอิง และตัดสินผ่าน/ไม่ผ่านตามเกณฑ์

DCR 1000i – OCV on labels

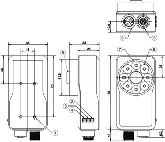
Technical features

  • Optics: Global Shutter Sony, 1/2.9", ความละเอียดสูง M4 (1440×1080), ความละเอียดต่ำ M1 (736×480), 30 fps
  • Working range: 50–2,000 mm (ขึ้นกับเลนส์), เลนส์ S-Mount 3.6/8/16/25 mm, รูรับแสง f/4 หรือ f/8
  • Lighting: ไฟในตัวเลือกได้ สีแดง/ขาว กำลังสูง
  • Power: 18–30 VDC, ~1,000 mA @24V
  • Memory: 16 GB / สูงสุด 255 jobs, บันทึกภาพผ่าน FTP/SFTP หรือ Vision Studio
  • I/O & Interfaces: Digital I/O (2+1 trigger / 4+1 ready, push-pull), Ethernet 100 Mbit/s
  • Protocols: TCP/IP, PROFINET, EtherNet/IP, FTP/SFTP
  • Mechanics: 85×45×34 mm, ฝาครอบ PMMA, ยึดน็อต 4×M3, ระดับป้องกัน IP67

Model

รุ่น (Model) ซีรีส์/ประเภท ความละเอียด ฟังก์ชันหลัก หมายเหตุ
DCR 1058i ADJ-8F4-102-M4-TOCV DCR 1000i / 2D code reader M4 (Hi-res) 1D/2D, Detect/Locate/Count, OCV OCV + Multicode
DCR 1058i ADJ-8F4-102-M4-TDPM DCR 1000i / 2D code reader M4 (Hi-res) 1D/2D, Detect/Locate/Count, DPM อัลกอริทึม DPM
DCR 1058i ADJ-8F4-102-M4 DCR 1000i / 2D code reader M4 (Hi-res) 1D/2D, Detect/Locate/Count Multicode
IVS 1058i ADJ-8F4-102-M4-TALL IVS 1000i / Vision sensor M4 (Hi-res) Detect/Locate/Measure/Count, DPM, Codes All-in-one tools
IVS 1058i ADJ-8F4-102-M4-TMEC IVS 1000i / Vision sensor M4 (Hi-res) Detect/Locate/Measure/Count Measurement suite
IVS 1058i ADJ-8F4-102-M4-TPRD IVS 1000i / Vision sensor M4 (Hi-res) Detect/Locate Presence detection
DCR 1048i ADJ-8F4-102-M4-TOCV DCR 1000i / 2D code reader M4 (Hi-res) 1D/2D, Detect/Locate/Count, OCV OCV + Multicode
DCR 1048i ADJ-8F4-102-M4 DCR 1000i / 2D code reader M4 (Hi-res) 1D/2D, Detect/Locate/Count Multicode
DCR 1048i ADJ-8F4-102-M4-TDPM DCR 1000i / 2D code reader M4 (Hi-res) 1D/2D, Detect/Locate/Count, DPM อัลกอริทึม DPM
IVS 1048i ADJ-8F4-102-M4-TALL IVS 1000i / Vision sensor M4 (Hi-res) Detect/Locate/Measure/Count, DPM, Codes All-in-one tools
IVS 1048i ADJ-8F4-102-M1-TMEC IVS 1000i / Vision sensor M1 (Low-res) Detect/Locate/Measure/Count Measurement suite
IVS 1048i ADJ-8F4-102-M4-TPRD IVS 1000i / Vision sensor M4 (Hi-res) Detect/Locate Presence detection
IVS 1048i ADJ-8F4-102-M1-TPRD IVS 1000i / Vision sensor M1 (Low-res) Detect/Locate Presence detection

ขนาดสินค้า Product Size : x x cm
ขนาดบรรจุภัณฑ์ Package Size : x x cm

สินค้าอื่นๆ
  • เราใช้คุกกี้เพื่อนำเสนอคอนเทนต์และโฆษณาที่ท่านอาจสนใจเพื่อให้ท่านได้รับประสบการณ์ที่ดีบนบริการของเรา หากท่านใช้บริการเว็บไซต์ของเราต่อไปโดยไม่ได้ปรับการตั้งค่าใดๆ เราเข้าใจว่าท่านยินยอมที่จะรับคุกกี้บนเว็บไซต์ของเรา คลิกเพื่อดูข้อเพิ่มเติม